|

一、适用范围:
1、爆炸性气体混合物危险场所:1区、2区。 2、爆炸性气体混合物ⅡA、ⅡB。 3、温度组别:T1~T6。 4、防爆标志:ExedⅡBT4。
二、产品特点:
1、产品为复合型结构,外壳为增安型结构,采用阻燃ABS注塑成形,具有防水、防尘、防腐、防冲击等优良性能。 2、内装元件采用隔爆元件。 3、钢管或电缆布线均可。
三、主要技术参数
|
产品型号 |
额定电压 |
额定电流 |
触头数量 |
防爆标志 |
进口螺纹 |
电缆外径 |
|
ALA5321-1 |
380/220V |
10 A |
一常开一常闭 |
Exde Ⅱ BT4
|
G3/4"
|
Φ10-14mm
|
|
ALA5321-2 |
380/220V |
二常开二常闭 |
Exde Ⅱ BT4
|
|
ALA5321-3 |
380/220V |
三常开三常闭
|
Exde Ⅱ BT4
|
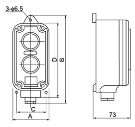
四、主要外形尺寸及安装形式:
|
产品型号 |
A |
B |
C |
D |
|
ALA5321-1 |
72 |
120 |
56 |
95 |
|
ALA5321-2 |
72 |
167 |
56 |
142 |
|
ALA5321-3 |
72 |
214 |
56 |
189 | |